Accessories manual

POE Splitter

Augmenta POE Sick LiDAR Splitter connector view
Augmenta POE Sick LiDAR Splitter connector view

Mount

Simple mount

Image without caption
Image without caption
Image without caption

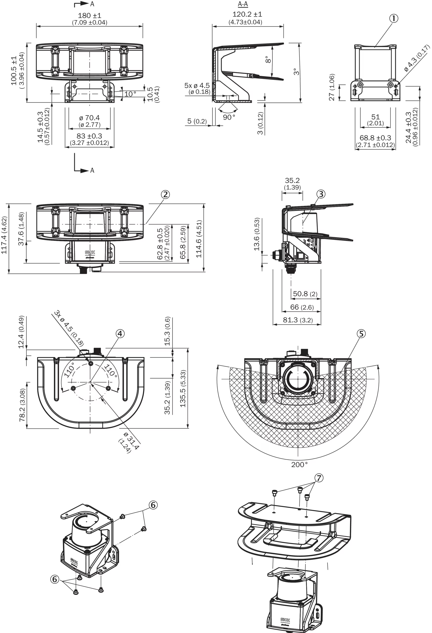
Dimensional drawing

Dimensions in mm (inch)
① Scan axis
② Rotation axis
③ M4x6 with SW 3 mm/tightening torque 1.5-2.5 Nm - use all five screws for applications with high shock and vibration requirements

Fine alignment mount

Image without caption
Image without caption
Image without caption

Dimensional drawing

Dimensions in mm (inch)
① Rotation axis
② M4x6 with SW 3 mm/tightening torque 1.5-2.5 Nm
③ Scan axis
④ After adjustment, tighten firmly with 1.5-2.5 Nm
⑤ Note: The adjustment sleeve must not lift off the base plate during adjustment, otherwise the adjustment will become misaligned when the device is secured
⑥ Tilting possible
⑦ Adjustment range
⑧ Adjust carefully to avoid tilting, max. torque 1.5 Nm
⑨ 1st adjustment screw
⑩ 2nd adjustment screw
⑪ 3rd adjustment screw
💡
This mount opens the possibility to fine tune the sensor so it can be parallel to the wall.
12.7 cm dimensions of the mount + cablings
12.7 cm dimensions of the mount + cablings

Simple mount with integrated 200° weather protection

Image without caption
Image without caption

Dimensional drawing

Dimensions in mm (inch)
① Bracket shown without weather protection hood
② Scan axis
③ Rotation axis
④ Rotation axis
⑤ Scanning area
⑥ M4x6 with SW 3 mm/tightening torque 1.5-2.5 Nm - use all five screws for applications with high shock and vibration requirements
⑦ M4x5 included in scope of delivery/tightening torque 1.5-2.5 Nm