Specifications

Image without caption

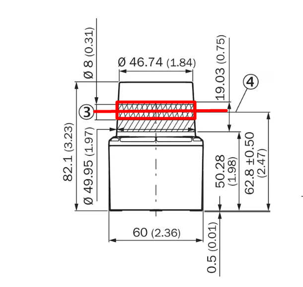
Dimensional drawing

Dimensions in mm and (inch) ① M4 threaded mounting hole; 4.2 mm deep, tightening torque 2.5 nm ② Tightening torque 2.5 nm, screw included in plug unit ③ Sending area ④ Transmission axis ⑤ Support point ⑥ M4 threaded mounting hole; 5.4 mm deep, tightening torque 2.5 nm ⑦ Area in which no reflective surfaces are allowed for mounted devices
Characteristic
Value
Note
Size (w * h * d)
60 mm x 60 mm x 82 mm
Weight
220 g
Without system plug
Operating environment
Indoor and Outdoor
Connector
M12
10 Mbit/s ... 100 Mbit/s, half/full-duplex
Rating
IP67
IP65 (IEC 60529:1989+AMD1:1999+AMD2:2013) IP67 (IEC 60529:1989+AMD1:1999+AMD2:2013)

Electrical specifications

Characteristic
Value
Note
Power supply voltage
DC 9V/DC 30V
Power supply current
4.5W
Typ. 4.5 W, Max. 17 W

Optical specifications

Characteristic
Value
Aperture angle
276°
Ranging technology
LiDAR
Wavelength
905nm
Laser class
1 (IEC 60825-1:2014, EN 60825-1:2014+A11:2021)
Characteristic
Core
Prime
Pro
Angular resolution
0.25°
0.05° to 0.25°
0.05° to 0.25°
Framerate
25Hz
15Hz to 50Hz
15Hz to 50Hz
Profiles*
25Hz - 0.25°
a. 15Hz - 0.05° (most precise) b. 25Hz - 0.25° (core emulation) c. 40Hz - 0.125° (balanced) d. 50Hz - 0.25° (fastest)
15Hz - 0.05° (most precise) 25Hz - 0.25° (core emulation) 40Hz - 0.125° (balanced) 50Hz - 0.25° (fastest)
Max range for hand tracking** Distance from the LiDAR
4.6 m (with min count 4) 5.3 m (with min count 3)
a. 15 m (for 4 rays) b. same as Core c. 8 m (for 4 rays) d. 4.5 m (for 4 rays)
Max range for finger tracking** Distance from the LiDAR
/
a. 15 m (for 2 rays) b. / c. 9 m (for 2 rays) d. 3 m (for 2 rays)
Max absolute range (10% / 90%)***
12m / 25m
25m / 47m
40m / 75m
Amount of evaluated echoes
3
3
3 (included)
*More Hz means more data per second so “faster” ; Less degree° means more rays so more precision *The picoscan Prime and Pro can emulate a Picoscan Core with the profile Core ** At 10% and 90% remission and 10 klx
Ray placement on Sick picoscan
Ray placement on Sick picoscan

For advanced users