POE Splitter
Mount
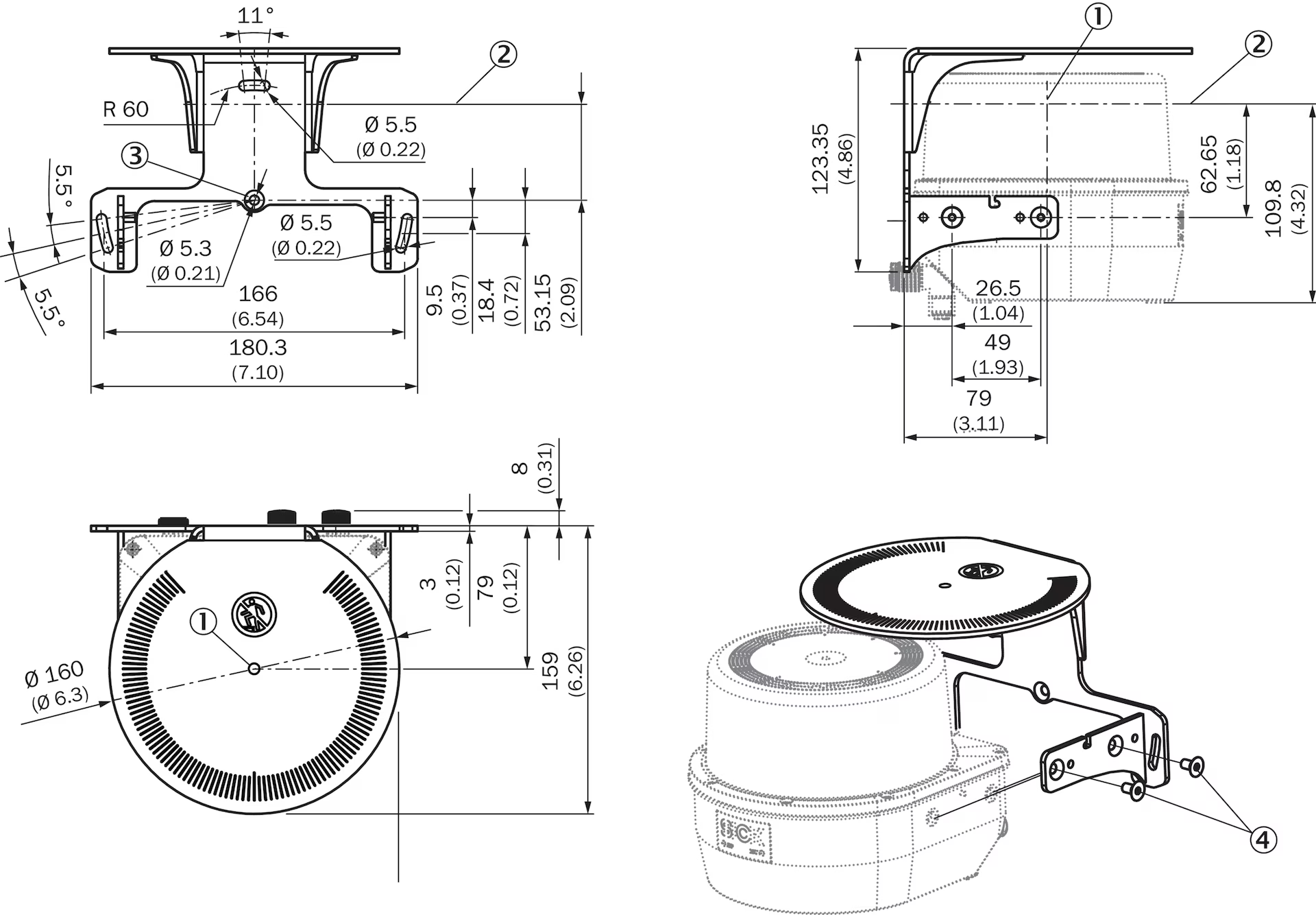
Augmenta custom mount for precision tuning
This is a 2 axis tuning mount designed to align correctly the LiDAR parallel to the wall
SICK mounting kit 1A

SICK mounting kit 1B
Static kit with protection

Dimensional drawing
Dimensions in mm (inch)
① Scanning axis 0°
② Scanning plane 0°
③ Axis of rotation
④ 4 countersunk head screws M5 (included in delivery), max tightening torque 5.0 Nm